Aurélie 14/03/07
d'après concours technicien d'instrumentation scientifique, d'expérimentation et de mesure

( université Claude Bernard Lyon 1 ) ITRF 2004

En poursuivant votre navigation sur ce site, vous acceptez l’utilisation de Cookies vous proposant des publicités adaptés à vos centres d’intérêts.


. .
.
.

électricité.

Un générateur maintient entre ces bornes A et B une tension sinusoïdale d'amplitude Umax=325,26 V et de fréquence f = 50 Hz. On branche en série aux bornes de A et B un condensateur de capacité C= 200 mF et une bobine d'inductance L= 0,29 H et de résistance interne R= 30 W.

  1. Faire le schéma de branchement équivalent.
  2. Déterminer la valeur efficace de la tension du générateur.
  3. Calculer l'impédance Z du circuit.
  4. On prend Z= 80 W. Calculer la tension efficace UC aux bornes du condensateur.
  5. Calculer la tension efficace UL aux bornes de la bobine.
  6. Calculer l'angle de déphasage j du circuit.

corrigé

Valeur efficace de la tension du générateur : Ueff = Umax / 2½ = 325,26 / 2½ =230 V

Impédance Z du circuit : Z = [R2 + (Lw-1/(Cw))2]½.

w = 2*3,14 *50 = 314 rad/s ; Lw = 0,29*314 = 91 W ; 1/(Cw) = 1/(2 10-4 *314) =15,9 W ;

Z= [302 + (91-15,9)2]½ = 80,9 W.


On prend Z= 80 W.

intensité efficace : Ieff = Ueff / Z = 230/80 = 2,87 A.

Tension efficace UC aux bornes du condensateur : UC = Ieff / (Cw) = 2,87*15,9 = 45,7 V.

Tension efficace UL aux bornes de la bobine :

UL=[R2+(Lw)2]½Ieff =[900+912]½ *2,87 =275 V.

Angle de déphasage j du circuit : tan j = (Lw-1/(Cw)) / R = (91-15,9) / 30 = 2,5 ; j = 68°.




Technique expérimentale

 

  1. Que fait la pression lorsque l'altitude augmente ?
  2. Citer les unités de pressions les plus couramment utilisées
  3. Donner les équivalences suivantes : 1 bar = ....Pa ; 1 torr = ....Pa ; 1 mbar = ....mmHg ; 1 mmHg = ...mbar.
  4. Citer quelques appareils de mesures de pression.
  5. Dans un laboratoire de recherche, une enceinte est maintenue à une pression intérieure p= 10-2 Pa. Elle dispose d'un hublot de diamètre d = 180 mm. Calculer la résultante des forces pressantes qui s'exercent sur le hublot. Patm = 1 bar.

corrigé
La pression diminue lorsque l'altitude augmente.

Les unités de pressions les plus couramment utilisées : bar ; pascal ( Pa) ; hPa

1 bar = 105Pa ; 1 torr = 1 mm Hg et 760 mmHg correspondent à 105 Pa soit 1 torr = 1 mmHg = 105/760 = 132 Pa

1 mbar = 100 Pa = 100/132 mmHg = 0,76 mmHg ; 1 mmHg =1,32 mbar.

Quelques appareils de mesures de pression : manomètre, baromètre ( mesure de la pression atmosphérique), vacuomètre ( mesure du vide résiduel)


section du hublot : S = pr2 =3,14*0,092 =2,54 10-2 m2.

Force (N) = pression ( Pa) * surface (m2)

Force exercée par l'air extérieur, dirigée vers l'intérieur de l'enceinte, valeur : Fext =105*2,54 10-2 =2,54 103 N

Force exercée par l'air intérieur, dirigée vers l'extérieur de l'enceinte, valeur : Fint =10-2*2,54 10-2 =2,54 10-4 N

Force résultante, dirigée vers l'intérieur de l'enceinte, valeur : F=2,54 103 N


Optique
  1. Un pinceau de lumière monochromatique cylindrique arrive sous un angle d'incidence i= 60° à la surface de séparation plane de deux milieux (1) et (2) transparents d'indices respectifs n1 et n2. Faire le schéma correspondant.
  2. Le milieu (1) est l'air, le milieu (2) est un verre. Calculer n2 si la déviation du pinceau lumineux est D= 30°.
  3. Le milieu (1) est le verre précédent et le milieu (2) est de l'air ; l'angle d'incidence vaut encore 60 °. Que devient le chemin suivi par le pinceau lumineux ?
  4. Tracer la marche du rayon lumineux jusqu'à la sortie du prisme d'indice n=1,50, plongé dans l'air dans les deux cas de figure.
  5. Un pinceau de lumière blanche arrive sous l'angle d'incidence i = 50° à la surface de séparation plane de l'air et du verre. Déterminer la valeur de l'angle entre deux rayons, un bleu et un rouge, transmis par le verre. Quel rayon subit la plus grande déviation ?
    indice de réfraction du verre pour le bleu nB= 1,524 ; pour le rouge nR = 1,515.
  6. On considère le dispositif ci-dessous. L'écran d'observation est à la distance D=2 m de l'ouverture circulaire de rayon a = 0,05 mm. Le dispositif est éclairé par une radiation de longueur d'onde l0 = 632 nm.

    Calculer les rayons des premiers maxima et minima de lumière sachant que l'angle q est donné par les formules :


    centre
    1er minimum
    2ème maximum
    3ème maximum
    sin q
    0
    0,61 l0/a
    0,82 l0/a
    1,11 l0/a
    r





     


corrigé

Le milieu (1) est l'air, le milieu (2) est un verre : D= 60-r d'où r = 60-D = 60-30 = 30°

loi de Descartes : n1 sin 60 = n2 sin r ; n2 = n1 sin 60 / sin r = sin 60 / sin 30 = 1,73.


Le milieu (1) est le verre précédent et le milieu (2) est de l'air ; l'angle d'incidence vaut encore 60 °.

Le faisceau réfracté existe si l'angle d'incidence est inférieure à imax tel que sin imax = 1/n2 ; sin imax = 1/1,73 =0,577 soit imax =35°.

Or l'angle d'incidence vaut 60°, valeur supérieure à imax : il y a réflexion totale.


D'une part, un faisceau perpendiculaire à la surface séparant deux milieux transparents, n'est pas dévié.

D'autre part, le faisceau réfracté existe si l'angle d'incidence est inférieure à imax tel que sin imax = 1/n2 ; sin imax = 1/1,50 =0,667 soit imax =42°.

Or l'angle d'incidence vaut 45°, valeur supérieure à imax : il y a réflexion totale.


Un pinceau de lumière blanche arrive sous l'angle d'incidence i = 50° à la surface de séparation plane de l'air et du verre.
indice de réfraction du verre pour le bleu nB= 1,524 ; pour le rouge nR = 1,515.

D'une part, pour le faisceau bleu : sin 50 = nB sin rB soit sin rB = sin 50 / nB = sin 50 / 1,524 =0,5026 ; rB =30,17° ; DB=50-30,17 = 19,83°

D'autre part, pour le faisceau rouge : sin 50 = nR sin rR soit sin rR = sin 50 / nR = sin 50 / 1,515 =0,5056 ; rR =30,37° ; DR=50-30,37 = 19,63°

Valeur de l'angle entre deux rayons, un bleu et un rouge, transmis par le verre : 30,37-30,17 = 0,2°.

Le rayon bleu subit la plus grande déviation.


Calcul les rayons des premiers maxima et minima de lumière sachant que l'angle q est donné par les formules :


centre
1er minimum
2ème maximum
3ème maximum
sin q
0
0,61 l0/a = 7,7 10-3
0,82 l0/a= 1,036 10-2
1,11 l0/a =1,40 10-2
q (radian)
0
7,7 10-3
1,036 10-2
1,40 10-2
r = D q = 2 q avec q en radian
0
1,54 10-2 m = 1,54 cm
2,07 10-2 m = 2,07 cm
2,80 10-2m = 2,8 cm
l0 = 632 10-9 m ; a = 0,05 mm = 5 10-5 m ; l0/a =0,0126 .


Thermique
  1. On désigne par K ( Kelvin) la température absolue et par °C la température Celsius. Donnez les équivalences suivantes :
    T(K) = q(°C) ........ ; 1K= ....°C.
  2. Loi des gaz parfaits :
     

    PV=nRT

    loi des gaz parfaits

    P: pression du gaz en Pa

    V: volume du gaz en m3

    n: quantité de matière de gaz en mol

    T: température absolue du gaz en K

    R: constante des gaz parfaits. R=8,32 S.I


    Déterminer, le plus simplement possible, dans quelle unité sera exprimée R.
  3. Un pont métallique a une longueur initiale L0 =100 m à la température q0=0°C. Calculez l'augmentation de longueur DL qu'il subit lorsque sa température passe de q1= -20°C ( hiver) à q2=50°C ( été) . Le coefficient de dilatation linéaire du métal est a = 12 10-6 K-1.
  4. Un calorimètre contient une masse d'eau me=200 g dont la température initiale est q e=21,1 °C à l'équilibre thermique ( même température du calorimètre et accessoires). On introduit dans l'eau du calorimètre un échantillon d'aluminium de masse ma=199 g à la température q a=100,0°C. La température d'équilibre de l'ensemble, au bout d'un certain temps, se stabilise à q éq=33,0°C. Déterminer la chaleur massique ca de l'aluminium ( valeur en eau du calorimètre et accessoires m=40 g). ceau = 4185 J kg-1 K-1.

corrigé
Les équivalences :
T(K) = q(°C) +273 ; 1K= 1°C.

unité de R : R= PV/(nT)

PV : pression * volume ( Pa m3) ; or une pression est une force (N) / surface(m2)

d'où PV a la dimension d'une force* longueur, soit une énergie ( J)

n : mol ; T : K ; par suite R a la dimension suivante : J mol-1 K-1.


Augmentation de longueur DL du pont :

Lq = L0(1+a(273+q))

Lq1 = L0(1+a(273+q1)) ; Lq2 = L0(1+a(273+q2)) ; DL = Lq2 -Lq1 =L0a[q2-q1]

DL =100*12 10-6 (50+20) = 0,084 m = 8,4 cm.


Chaleur massique ca de l'aluminium :

Energie Qc cédée par le corps chaud, l'aluminium : Qc =maca(q éq-q a)

Energie Qf gagnée par les corps froids, l'eau et le calorimètre : Qf =(me+m)ce(q éq-q e)

système adiabatique, sans échange de chaleur avec l'extérieur : Qc + Qf = 0

maca(q éq-q a) + (me+m)ce(q éq-q e) =0

ca = (me+m)ce(q éq-q e) / [ma(q a-q éq) ]

ca = 0,24*4185*(33-21,1) / (0,199*67)= 896 J kg-1 K-1.


Chimie
  1. Ecrire la réaction d'un acide organique sur un alcool. Quel est son nom ?
  2. Pour préparer une solution d'acide sulfurique, il faut : - ajouter l'eau dans l'acide, - ajouter l'acide dans l'eau ; - l'ordre est sans importance.
  3. Quel appareil doit-on utiliser pour mesurer l'acidité d'une solution ? pHmètre, conductimètre, polarimètre, anémomètre.
  4. Equilibrer cette équation : Al + MnO2 --> Al2O3 + Mn.
  5. Ecrire les formules semi-développées : propane, benzène, 1,2-dibromoéthane

corrigé
réaction d'un acide organique sur un alcool : estérification

Pour préparer une solution d'acide sulfurique, il faut ajouter l'acide dans l'eau.

Le pHmètre mesure l'acidité d'une solution.

4Al + 3MnO2 --> 2Al2O3 + 3Mn.

propane : CH3-CH2-CH3 ; 1,2-dibromoéthane : BrCH2-CH2Br ; benzène :

Signification des pictogrammes :

1 : danger électrique ; 2 : extincteur ; 3 : interdit aux véhicules de manutention ; 4 : risque d'explosion

5 : douche de sécurité ; 6 : téléphone pour premiers secours ; 7 : défense d'éteindre avec de l'eau ; 8 : port du casque obligatoire.


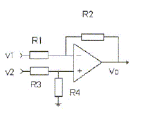
Montage avec A.O
  1. Comment appelle t-on ce type de montage ?
  2. Calculer la tension de sortie V0. R1 = R3 = 3,3 kW ; R2 = R4 = 4,7 kW ; V1= 1V ; V2 = 2 V.

corrigé
Potentiel du point E+, entrée non inverseuse : E+ = V2/R3 / [1/R3+1/R4]

Potentiel du point E-, entrée inverseuse : E- = [V1/R1 +V0/R2] / [1/R1+1/R2]

Or E+ =E- ;V2/R3 [1/R1+1/R2] =[V1/R1 +V0/R2] [1/R3+1/R4]

Or R1 = R3 et R2 = R4 : V2/R1 [1/R1+1/R2] =[V1/R1 +V0/R2] [1/R1+1/R2]

V2/R1=V1/R1 +V0/R2 ; (V2-V1)/R1=V0/R2 ; V0 =R2/R1(V2-V1)

Ce montage réalise une amplification et une soustraction.

V0 =R2/R1(V2-V1) = 4,7/3,3 = 1,42 V.


Mécanique

Un système mécanique constitué d'un vilbrequin peut être représenté sous la forme suivante : le point O est le centre de rotation du vilbrequin, les points A et M sont les extrémités de la bielle, H est le projeté de M sur l'axe i. OM= 20 mm et MA= 100 mm

  1. De quel mouvement est animé le point A ?
  2. Exprimer les composantes X et Y de M.
  3. Exprimer sin b en fonction de OM, AM et sin a.
  4. Exprimer le bipoint OA sous la forme a[ cos a +(b+cos2 a)½] où a et b sont des entiers en utilisant la relation sin b = 1/5 sin a.

corrigé
Le point A est animé d'un mouvement rectiligne sur l'axe Ox.

X= OM cos a et Y= OM sin a

Expression de sin b en fonction de OM, AM et sin a :

triangle OMH : MH= OM sin a ; triangle AMH : MH= AM sin b ;

sin b=OM sin a /AM = 1/5 sin a= 0,2 sin a.

Expression du bipoint OA : OH + HA

OH = OM cos a ; AH=MA cos b ;

OH + HA = OM cos a +MA cos b = OM[ cos a +MA/OM cos b ]

or MA/OM = 5 : OH + HA =OM[ cos a +5 cos b ]

cos b = (1-sin2b)½ : OH + HA =OM[ cos a +5 (1-sin2b)½ ]

sin b=0,2 sin a : OH + HA =OM[ cos a +5 (1-0,04sin2a)½ ]

sin2a = 1 - cos2a : OH + HA =OM[ cos a +5 (1-0,04+ 0,04cos2a)½ ]

OH + HA =OM[ cos a + (0,96*25+ 0,04*25cos2a)½ ] =OM[ cos a + (24+ cos2a)½ ]


retour -menu