Aurélie 29/01/07
 

Enseignement, physique, agrégation interne 2006 : photomultiplicateur

En poursuivant votre navigation sur ce site, vous acceptez l’utilisation de Cookies vous proposant des publicités adaptés à vos centres d’intérêts.


. .
.
.

Du point de vue électrique, le photomultiplieur ( noté PM sur la figure) se comporte comme une source de courant i(t) en parallèle avec un condensateur de capacité C0= 15 pF. Afin de prélever une tension u(t) proportionnelle à ce courant, on charge le photomultiplicateur par une résistance r=50 W.

On étudie la réponse de ce système à un échelon de courant : la source idéale de courant délivre une intensité I constante à partie de l'instant t=0.

Expression de l'équation différentielle déterminant u(t) :

intensité traversant le résistor r : i1 = u/r

intensité à travers le condensateur C0 : i2 = dq/dt et q=C0u ; i2 = C0 du/dt = C0 u'

additivité des courants dérivés : I= i1 +i2 ; I= u/r +C0 u' ( 1)

Résolution de cette équation si u(0) = 0 :

solution générale de l'équation u/r+C0u' = 0 ;u' + 1/rC0) u = 0 et en posant t = rC0 ; u'+1/t u = 0

u = A exp(-t/t) ;

solution particulière de (1) : u=rI ( régime permanent.

solution générale de (1) : u = A exp(-t/t) + rI

à t = 0 , u=0 soit 0 =A+rI d'où A= - rI

par suite u= rI (1- exp(-t/t).

Le temps de réponse tR à 5% est tel que : exp(-tR/t) =0,05 soit tR = -t ln0,05 = 3rC0 = 3*50 *15 10-12 =2,25 ns


Le chariot de l'interféromètre de Michelson portant le miroir M2, se déplace à une vitesse v telle que e(t) = vt. La source de courant délivre une intensité i(t) proportionnelle à l'éclairement E (t) que le détecteur reçoit.

or u(t) = r i(t) : u(t) est proportionnelle à l'éclairement ( si t >> tR).

La tension u(t) reproduit les variations de l'éclairement E(t).


Les signaux détectés par le photomultiplicateur sont faibles, noyés dans des bruits aussi bien continus qu'alternatifs. Le signal du photomultiplicateur a besoin d'être conditionné.

Les amplificateurs opérationnels ( notés A.O) utilisés sont supposés idéaux. La rension de saturation est notée Vsat et Vsat = 15 V.

Expression de la différence de potentiel entre les points A et B : vA(t) - vB(t) en fonction de v1(t) - v2(t) = u(t)

vA - vB = v A - vC + v C - vD + v D - vB = R' i3 + R0 i3 + R' i3 ; i3 intensité traversant la branche A C D B.

v1 - v2 = vC - vD =R0 i3 soit i3 = [v1(t) - v2(t)] / R0

vA(t) - vB(t) = (2R' + R0 ) i3 ; vA(t) - vB(t) = (2R' + R0 ) / R0[v1(t) - v2(t)].


Condition à remplir par R1, R2, R3, R4 pour que s1(t) soit proportionnelle à u(t) :

on note i4 l'intensité traversant R1, R2 ; i5 l'intensité traversant R3, R4 :

vB= (R3 + R4)i5 ; vA= s1 + (R1 + R2)i4 ; vA - vB= s1 +(R1 + R2)i4 - (R3 + R4)i5 (2)

de plus : s1 = -R2i4 + R4i5 soit i4 = (-s1 + R4i5 ) /R2 (3) repport dans (2) :

vA - vB = s1 +(R1 + R2)(-s1 + R4i5 )/ R2 - (R3 + R4)i5

vA - vB =s1 [1-(R1 + R2)/ R2]+ [(R1 + R2)R4/ R2 - (R3 + R4)]i5

s1 est proportionnelle à vA - vB si (R1 + R2)R4 = (R3 + R4) R2 soit R1R4= R2R3.

vA - vB = - s1 R1/ R2 soit s1 = - R2/ R1(vA - vB).

Fonction de chaque amplificateur :

A.O 1 et A.O 2 ayant des impédances d'entrées infinies, u1 et u2, donc u = u1 - u2, ne subit aucune perturbation.

A.O 3 effectue la soustraction vB - vA et amplifie cette différence.




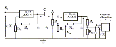
Après conditionnement, le signal est traité par le montage suivant :

Rôle de l'A.O 4 : amplificateur non inverseur

i6 l'intensité traversant R5, R6 :

s1 = R5i6 ; s2 = (R5+ R6)i6 ; s2 = (R5+ R6)s1 / R5 ; s2 =s1(1+ R6/ R5).

or s1 = -R2/ R1(vA - vB) et vA(t) - vB(t) = (2R' + R0 ) / R0 u(t).

s2 = -R2/ R1(1+ R6/ R5)(2R' + R0 ) / R0 u(t).


Le signal s3(t) est observé à l'oscilloscope ; on obtient le tracé suivant :

Intérêt du dispositif permettant de passer de s2(t) à s3(t) :

Il s'agit d'un filtre passe haut : la composante continue est suprimée. La fréquence de coupure de ce filtre est fC = 1/(RC)

fC doit être très inférieure à la fréquence du signal.

Rôle de l'A.O 5 : comparateur à hystérisis

La tension de sortie s4(t) ne peut prendre que deux valeurs +Vsat et -Vsat.

i8 intensité traversant R7, R8 avec R8 =100 R7.

Vref = R7i8 ; s4 = (R7+ R8)i8 ; Vref = R7 /(R7+ R8)s4 ; Vref =0,01 s4 ; Vref = + ou - 0,01 Vsat.

Seuls les maximas du signal seront conservsé ; le bruit de fond est supprimé.


Le compteur d'impulsions placé en fin de montage fonctionne avec une tension d'entrée voisine de 5 V et l'intensité de son courant d'entrée est nulle.

La diiode est idéale, de tension de seuil nulle, et de résistance nulle dans le sens passant. Les résistances R9 et R10 vérifient la relation R9= 2 R10.

Rôle de la diode : la diode élimine les valeurs négatives de la tension.

Les résistances R9 et R10 jouent le rôle de diviseur de tension : s(t) = R10 / (R9 + R10) s4(t) ; s(t) =1/3 s4(t).

Oscillogrammes s4(t) et s(t) :


 

retour -menu